PRODUCTS / COMPONENTS / FILTERS /
Bandpass Filters
Low insertion loss bandpass filters (0.1 dB) are essential for many of today’s defense platforms and modern wireless environments that require high spectral fidelity. Low insertion loss bandpass filters (0.1 dB) by Spectrum Control help receivers detect and process low-power targets, as well as discern targets of interest in interference-heavy environments. Spectrum Control offers 0.1 dB loss bandpass filters to help identify weak communication transmissions and recognize valuable intelligence signals in a crowded spectrum.
Visit Spectrum Control's Bandpass Filter Customization Tool today to optimize your demanding filter requirements.
Spectrum Control's database of low-loss bandpass filter designs (0.1 dB) helps eliminate the need for additional gain when Size, Weight, and Power (SWaP) initiatives are in place. Low-loss filters from Spectrum Control also help suppress harmonics at the receiver front end when complex pulse or chirp signals are cascaded in the receive-side chain. This is especially critical where a flat amplitude response helps prevent distortion and unwanted spurious modulation.
Spectrum Control’s line of low-loss bandpass filter designs (0.1 dB) delivers insertion loss as low as 0.1 dB while optimizing pole-placement strategies to achieve high rejection in a compact design. These low-loss bandpass filters (0.1 dB) also help maintain receiver sensitivity in crowded wireless spectra. High insertion loss can lead to excessive heat, requiring additional cooling strategies or heavier metal packaging to prevent thermal runaway.
Low-loss bandpass filters (0.1 dB) from Spectrum Control improve signal-to-noise ratio (SNR) performance by providing a lower-loss path for weak signals, maintaining spectral purity without harmful bit-error-rate (BER) degradation. Spectrum Control also offers a selection of Rapid Filter options, providing bandpass filters in both Chebyshev and Elliptic functions to meet critical demand requirements.

Bandpass filter frequency response
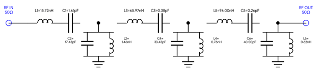
Lumped Element Filters
Spectrum Control’s superior low-loss (0.1 dB) lumped element designs are ideal for applications where size and weight are critical. Our filter engineers are experts in lumped element design techniques and employ a range of innovative methods to meet today’s demanding specifications.
- Lightweight surface-mount packages for airborne applications
- Silver plating to reduce insertion loss
- Integral shielding for improved isolation
- Strategically placed poles for maximum rejection
- Multiple topologies integrated within a single package for broad frequency coverage

Spectrum Control’s lumped element filters are designed using discrete inductors and capacitors, covering HF, VHF, UHF, L-band, and portions of S-band (approximately 10 MHz to 3000 MHz). Below 1000 MHz, wavelengths are relatively long; distributed-element filters like cavity filters must be at least a fraction of the operating wavelength, which can make cavities physically larger than other topologies such as lumped elements.
Because discrete capacitors and inductors are much smaller than the operating wavelength, lumped element filters can achieve a smaller footprint than cavity designs.
Distributed-element filters, such as cavity filters, can exhibit spurious passbands, harmonic passbands, or a re-entrant response because their performance depends on the physical dimensions of the structure relative to the wavelength.
By contrast, Spectrum Control’s lumped element filters are smaller than the operating wavelength and therefore do not exhibit re-entrant modes or undesirable harmonic passbands, resulting in a cleaner response. They can also achieve very wide fractional bandwidths (roughly 10% to 90%), which can be difficult to replicate with narrow-band cavity-style topologies.
Lumped element filters are relatively easy to tune by adjusting poles using air-spaced inductive coils. Because these designs typically use standard, off-the-shelf discrete elements and don’t require complex specialized machining (unlike cavity filters), they generally offer lower cost and high customizability.
| Frequency | 10 MHz to 3000 MHz | |
| Size | Small | |
| Cost | Low | |
| Harmonics | No Spurious Passbands | |
| Power Handling | Up to 100 Watts |


Cavity Filters
One of the advantages of selecting Spectrum Control’s cavity filter designs is their industry-leading low insertion loss performance (0.1 dB) combined with high power-handling capability (up to 400 watts). Spectrum Control engineers have researched the suppression of intermodulation products in low-loss (0.1 dB), high-power (400-watt) cavity designs and, through careful process control and component selection, have developed specialized design techniques to meet our customers’ demanding requirements.
|
Machined from lightweight aluminum alloys to reduce weight
|
||
|
Gold and silver plating using NADCAP-controlled processes
|
||
|
Proprietary techniques to minimize temperature drift to less than 1 ppm/°C
|
||
|
Spectrum Control’s pseudo-elliptic designs incorporate cross-coupling to create transmission zeros, resulting in enhanced close-in rejection performance without increased insertion loss
|
||
|
Unique resonator designs that increase peak power-handling capability
|
||
|
Silver plating on resonators and internal cavity surfaces to achieve higher Q compared to lower-cost plating methods
|
||
|
Low dielectric constant stabilizing structures designed to withstand extreme shock and vibration environments
|
|
Pseudo-elliptic designs developed by our engineers reduce the number of poles required to meet specified rejection responses, resulting in smaller filters with lower insertion loss (0.1 dB) and reduced cost. Similar techniques can also be applied to provide passband group delay equalization or to increase rejection across a specified stopband region. |
![]() |
![]() |
Spectrum Control Low Loss (0.1 dB) Bandpass Filters, known worldwide as innovators in the RF filter marketplace, offer innovative cavity filter topologies when performance cannot be compromised. Spectrum Control cavity filter advantages stem from their high-Q designs and creative strategies to reduce size and increase power-handling robustness. |
|
Spectrum Control delivers high-performance bandpass filters with ultra-low insertion loss of 0.1 dB, trusted worldwide in demanding RF applications. When uncompromising performance is required, their cavity filter designs provide an ideal solution. By leveraging high-Q resonator technology and space-efficient design techniques, these filters achieve excellent power handling while maintaining a compact footprint. |
![]() |
![]() |
Spectrum Control bandpass cavity filters offer ultra-low insertion loss (0.1 dB) because they have very low internal resistance, due in part to plating that is often silver. This means Spectrum Control cavity filter designs are more efficient and better able to handle radiated signal power. Spectrum Control cavity filters can handle thousands of watts; their larger physical surface area compared with lumped element filters, along with the use of air dielectrics, helps prevent arcing that could destroy a traditional lumped element filter. |
|
Frequency
|
10 MHz to 3000 MHz
|
|
|
Size
|
Small
|
|
|
Cost
|
Low
|
|
|
Harmonics
|
No Spurious Passbands
|
|
|
Power Handling
|
Up to 100 Watts
|
|
|
Spectrum Control cavity filters, with their high unloaded-Q designs, can achieve incredibly narrow fractional bandwidths with very steep skirts. This allows Spectrum Control cavity filters to pass a narrow band while heavily attenuating tones just a few MHz away from the band edge. Spectrum Control bandpass filters in a cavity topology are often designed from Invar, which offers a very low coefficient of thermal expansion. This helps ensure Spectrum’s frequency response doesn’t drift as ambient temperatures change, unlike some other manufacturers’ designs. |
|
With a Spectrum Control bandpass filter in a cavity topology, the solid metal housing acts like a Faraday cage, preventing EMI from leaking out and external noise from another channel from leaking in. Known for unparalleled attenuation levels, Spectrum Control cavity filters can provide massive attenuation (100+ dB), which is normally difficult to achieve due to parasitic coupling. Unlike some other filter manufacturers, Spectrum Control offers unique resonator designs, like the one pictured here, to reduce overall size and increase peak power handling. |
![]() |
![]() |
Spectrum Control bandpass filters use unique design approaches to reduce unit size, one of which is iris coupling. Iris coupling transfers electromagnetic energy between adjacent cavities through precisely shaped apertures in the cavity walls. These apertures behave as reactive shunt inductances or capacitances, increasing coupling between resonators and shaping the overall filter response. |
|
Spectrum’s pseudo-elliptic designs incorporate cross-coupling to create transmission zeros, resulting in enhanced rejection performance. Unlike Chebyshev or Butterworth designs, where rejection increases gradually as you move farther from the center frequency, Spectrum Control pseudo-elliptic filters use cross-coupling to force the signal to zero at specific nearby frequencies, creating a steeper skirt between the passband and the stopband. |
![]() |
![]() |
Spectrum Control bandpass filters can incorporate a unique low-dielectric-constant stabilizing structure to reduce overall sensitivity to shock and vibration. Even microscopic shifts in resonator positions can induce microphonics or frequency modulation. If a support structure like the one shown to the left had a higher dielectric constant, even a small movement caused by heating could produce a significant shift in center frequency. These innovative structures from Spectrum Control mitigate shifting effects through three primary mechanisms: they reduce electromagnetic disruptions, add mechanical damping and stiffness, and use low-dielectric materials to reduce mass and weight, making them less likely to shift. |
|
Spectrum engineers routinely use an integrated cleanup low-pass filter to provide extended stopband performance. An integrated cleanup low-pass filter is a complementary filtering stage whose primary role is to suppress multiple harmonic resonances and spurious tones in resonant cavity structures. Without a cleanup low-pass stage, a transmitter could leak high-power harmonics that may interfere with out-of-band receivers. |
![]() |
![]() |
Tightly controlled conductor spacing and surface finish yield very high power-handling capability. Spectrum Control bandpass filters utilize tightly controlled conductor spacing. Cavity filters are naturally high-Q filters; by design, they store significant electromagnetic energy within their resonators or sections. The space, or distance, between the resonator and the interior cavity walls is critical to optimizing power-handling capability. |
|
Using silver plating on our resonators and cavity interiors reduces loss and provides higher Q values than the less expensive plating methods used by other filter manufacturers. Due to its atomic structure, silver has the highest electrical conductivity of any metal. In high-Q Spectrum Control cavity filters, Q is partly defined by the ratio of stored energy to dissipated energy. Using a more conductive finish such as silver directly reduces the amount of energy lost as heat, resulting in higher Q and lower insertion loss. |
![]() |
![]() |
Spectrum Control bandpass filters use innovative cross-coupling techniques to achieve optimal rejection by introducing electromagnetic energy between non-adjacent resonators, creating signal paths that cancel at specific frequencies. Spectrum Control also incorporates bimetallic resonators to improve temperature stability, minimizing frequency drift caused by thermal changes that can alter cavity dimensions and shift the center frequency across the band. |
Advanced SAW Filters
Spectrum Control continues to deliver advanced SAW technology for today’s military and commercial markets. These SAW filters, operating at frequencies up to 1600 MHz, offer a range of outstanding features, including:
- Low insertion loss below 2 dB
- Shape factors below 1.1:1
- Fractional bandwidths up to 60%
- 100% tested
- Pre-aged at 100°C
- Gold wire bonds used on all ball bonds to reduce loss
- Silicon thermoset resin to dampen stray acoustic energy and reduce distortion
- Superior group delay performance, as low as 8 ns unit-to-unit

Radar Applications for SAW Products
Another branch of SAW technology, particularly for radar applications, uses filters that deliver a linear change in delay across a defined passband. When paired with digital signal processing, SAW-based systems can track targets very effectively, using dispersive SAW delay lines and filters in both the transmitter and receiver to perform pulse compression and expansion. Spectrum Control SAW filters feature extremely steep skirts to isolate signals of interest in crowded or contested spectrum, and defense-grade designs are engineered to withstand shock, vibration, and temperature fluctuations. Low-loss SAW filters also provide ultra-flat group delay, which helps preserve the precise timing required for advanced missile guidance platforms.

Block diagram for a typical radar system for target detection.
Pulse-compression radar uses dispersive (chirp) filters in both the transmit and receive sections to expand the transmitted waveform and compress the received return, enabling shorter-duration, lower-peak-power transmissions while maintaining sensitivity through improved signal-to-noise ratio. In modern radar applications such as AESA (active electronically scanned array), the antenna electronically steers radio waves without moving the antenna, with each element connected to a compact computer-controlled module that performs both transmit and receive functions.

AESA radars can transmit multiple RF beams at multiple frequencies simultaneously and spread emissions across a wider spectrum, making them harder to detect over background noise while still enabling high-performance operation for ships and aircraft. SAW filters also provide bandpass filtering across many defense applications, including IF filtering in superheterodyne receivers, IF filtering within software-defined radios (SDRs), and IFF, where low-loss designs can deliver high selectivity and low distortion in a smaller, lower-cost form factor than alternative technologies. In superheterodyne receivers, SAW filters are often used as the RF and IF bandpass filters to suppress transmission leakage and interference at RF, and to provide highly selective channel filtering at IF.

Block diagram of a superheterodyne receiver.
Spectrum Control low-loss SAW filters are also used in transceiver systems and are commonly employed in duplexers within transmit/receive designs.

Block diagram of a generic transceiver circuit.
Ceramic Filters
Spectrum Control designers are experts in the application of multiple filter topologies, including creative mixed-topology approaches that can be integrated into a single design. High-complexity ceramic filters, such as a six-pole, 2100 MHz design with a 45/0.5 dB shape factor of less than 3:1, demonstrate exceptional performance while delivering strong value.
- Gold-plated surface-mount packages improve solderability and corrosion resistance
- Alternative coupling structures offer superior performance
- Capacitive coupling arrays provide enhanced reliability and repeatability
- Ceramic resonator designs as small as 2 mm reduce overall filter footprint
- Lead-free solders are used to comply with strict RoHS standards
- Select designs are laser-sealed using Spectrum Control’s in-house sealing methodologies
![]() |
![]() |
3D Glass SMT Filter
Spectrum Control continues to advance filter technology with the release of its new ultra-miniature glass filters. These high-Q filters, operating at frequencies up to 10 GHz, offer a range of outstanding features, including:
- Low insertion loss below 2 dB in many designs
- Rejection levels up to 70 dB
- Group delay of 1 ns across temperature
- Input power handling up to 1 watt
- Customization to meet demanding requirements

Suspended Substrate Filters
Spectrum’s low-loss suspended substrate filters enable complex transfer functions by integrating multiple filter topologies within a single package. Spectrum Control’s expert engineers optimize low-loss suspended substrate designs to meet demanding performance requirements. Suspended substrate features include:
- Expertise in combining lumped and distributed elements within a single suspended substrate design, providing enhanced unloaded Q and exceptionally low insertion loss
- Gold vias for superior isolation
- Cauer pole–placed transfer functions that yield low insertion loss performance
- Integrated cleanup low-pass filters for improved broadband performance

Butterworth vs. Chebyshev vs. Elliptic
When selecting the optimal shape factor for an RF filter, one must consider the trade-offs between different topologies. One must consider the platform or application as leading elements in the decision to steer the design from one topology to another. For most general RF filter requirements, shape factors are paramount; but one must consider Group Delay Variations, Passband Ripple, Transition, Loss, and other elements that could affect the RF Chain after the filter passes the receive-side waveform.
RF filter design firms like Spectrum Control, select from four main transfer functions when responding to application specific requests. A Butterworth function appeals to requirements for a maximally flat passband. To achieve this, poles in a Butterworth function are arranged and distributed in an evenly symmetric pattern for maximum flat amplitude. This ripple free design does have other consequences; it generates a more gradual transition into the stopband.

Now looking “top down” at both a 5 pole Butterworth and a 5 pole Chebyshev, they both visually look the same. Both functions consist of a normal ladder configuration, series inductor, shunt capacitor, series inductor, etc. However, with a Butterworth function, resonators offer smooth loading with evenly placed values. No resonator value dominates the circuit.
Coupling coefficients and energy distribution are uniform across the network. In a moderate 5-pole Butterworth, adjusting the load on one resonator, the effect is localized and doesn’t wildly disturb the effect of other neighboring sections. No one resonator dominates the circuit. Even though the center element in a Butterworth function is the largest, compared to a Chebyshev function, the center element is not as inflated.

For ultra flat passband response, a Butterworth function prevails. A Butterworth function has a gradual transition, and offers flat passband response. Waveform distortion is minimized which makes it ideal for radar applications, targeting platforms and Electronically steered active array antenna systems.

If, however, the goal is minimizing group delay variation and phase deviation, then the natural selection of functions would be a Bessel function. Bessel function poles are positioned to minimize group delay variations over the passband. Looking at a typical Bessel function passband, as the passband signal approaches the cutoff frequency, the filter circuit comes into view. The capacitors and inductors come to life, storing and releasing RF energy; phase shift increases near cutoff due to reactive energy storage. This storing and releasing effect takes a little time. Over time, the phase of the incident waveform begins to bend. With Bessel function, the phase is uniform, in much the same way a well-engineered highway bends; the lanes are banked slightly so vehicles on each other’s side curve at the same rate and exit side by side as they entered.


Compared to a Chebyshev, however, where sharp rejection is paramount, the curve is erratic, the bend is sharp and the lanes aren’t uniform and synchronized. Cars (like signals) exit the curve at different rates, no longer side by side, analogous to Phase Distortion.

With a Bessel function however, you retain phase linearity but give up rejection. In the design, very specific non-uniform component values are incorporated to achieve that flat phase response. At the cutoff transition, the passband presents a rounder knee, and doesn’t offer as much protection against frequencies on either side of the stop and stop band.

When focusing on maximizing steep skirts, maximum rejection and sharp roll-off, a Chebyshev function is preferred. A Chebyshev shape factor is much more pronounced than a Butterworth or a Bessel function. Passband ripple is more pronounced as the poles are distributed nearer the cutoff frequency. This however has an adverse effect to phase variations. Signals near the passband edges will be delayed more so than signals in the center of the passband affecting group delay. This function is highly non-linear, with reduced pulse fidelity, causing ringing and timing distortion. A Chebyshev exhibits a higher degree of passband ripple coupled with a rapid slope change. However, when steep rejection is required, a Chebyshev function often prevails.
The last of the core filter transfer functions, where sharp roll-off is required centers on an Elliptic (or Cauer) function. An elliptic offers a steep brick wall passband profile with a sharp shape factor and excellent selectivity. Elliptic functions have both passband and stopband ripple. Because an elliptic function requires high selectivity, poles tend to be crowded near the passband transition while transmission zeros are strategically placed in the stopband. Elliptic filters introduce finite-frequency transmission zeros, enabling extremely sharp rejection for a given order. This function also possesses a higher degree of complexity over other filter functions. A Cauer’s phase response is inherently non-linear and probably not a good candidate for applications where group delay variations can affect the RF Chain and system level performance.


Because steep rejection is paramount, phase linearity suffers the most. Group delay deviations increase significantly as the signal enters the band edges. For Phased Array Radar applications, this inherent phase distortion and group delay spiking makes Cauer functions not good candidates for time domain based platforms.


In conclusion, when selecting filter functions, selectivity, Insertion Loss, or rejection should not be the only elements to consider. Group Delay Variations or Phase Deviation at times can play an equal role in deciding filter functions based on intended platform application.
RF Filter Selectivity vs. Insertion Loss
In RF design, two key parameters, selectivity and insertion loss, are inherently opposed. Improving close-in rejection almost always results in increased insertion loss.
Selectivity defines how sharply a filter transitions between the passband and stopband while rejecting nearby unwanted frequencies. To achieve a steeper skirt, RF filter designers often add additional sections to the design.
Adding sections increases the attenuation rate on either side of the transition band. For example, in a Butterworth topology, each pole adds roughly 6 dB per octave (20 dB per decade) of rejection. Higher-order filters sharpen the passband, improving isolation and enabling detection of receive-side signals near or below the noise floor.
There is a trade-off when adding poles: insertion loss becomes more significant. Increasing selectivity by adding reactive elements (i.e., capacitors and inductors) introduces additional loss, as all components have finite Q and inherent resistance. Each added pole in the RF filter design improves selectivity and rejection but also increases signal loss as it passes through these elements.
Impact of Per-Pole Loss: 3-Pole vs. 7-Pole

Higher-order designs with six or seven sections are more sensitive to component tolerances and layout parasitics than lower-order designs. Small impedance mismatches between poles can create reflections, resulting in insertion loss and passband ripple. As more sections are added to achieve sharper rejection, precise tuning becomes critical.
Because each section’s impedance depends on adjacent sections, small mismatches can degrade alignment. In a modest three-pole design, 5% mismatches may be insignificant. In six-pole or higher designs, however, smooth transitions break down, and reflections from mismatches can redirect power back toward the source instead of to the output. Higher-order designs, such as Chebyshev topologies, require tight tolerance control of each element.
If a capacitor deviates from its expected value due to temperature variation or tolerance, the flat passband can develop ripple. Moreover, high-frequency parasitics (e.g., substrate effects, trace lengths) can shift the center frequency, creating challenges in identifying compromised components within the RF chain.
Effect of Filter Order (Poles) on Rejection & Roll-off

Even small mismatches between poles, such as impedance variations from 47 to 53 ohms across the band, can generate reflections toward the source. Adding more poles increases this effect and degrades return loss. Losing even 5% of incident power can create standing waves and passband ripple through constructive and destructive interference. Dissipated power becomes heat within the resonator structure, further amplifying thermally induced variations.
Different filter designs prioritize parameters differently. Butterworth topologies typically offer lower insertion loss and a flat passband but less selectivity. Chebyshev topologies provide sharper skirts but introduce passband ripple. Elliptic topologies deliver the highest rejection but can produce ripple in both the passband and stopband.
Magnitude Response: 7-Pole Bandpass Comparison

Why Group Delay Matters in RF Filter Design
Group delay is critical because it determines the timing, period, and phase accuracy of incident signals and waveforms. While an RF bandpass filter is primarily designed to select the operational band and pass only the desired portion of a waveform, it must also preserve waveform integrity. To maintain spectral purity, all elements in the RF chain should exhibit consistent time delay, or a linear phase response. If a bandpass filter does not adequately control group delay, signals can disperse or distort, compromising downstream performance.
Distorted pulses may overlap, making it difficult for receivers to separate and analyze individual signals. Variations in group delay can cause widening, spreading, or blending of signals, particularly when multiple channels experience differing phase responses. This can lead to inaccurate measurements, degraded analysis, and increased bit error rates, making it harder to distinguish where one data packet ends and another begins. When signals reach the analog-to-digital converter, this distortion can impair accurate edge detection and signal interpretation.
In radar systems, precise timing is essential for accurate distance measurement. Group delay variation can distort pulses and reduce waveform fidelity. In modern phased-array radar systems, phase is used to steer beams, making flat group delay critical for accurate targeting and frequency tracking. While high-Q, high-selectivity filters are often preferred, designs such as Chebyshev filters can introduce greater group delay variation near the 3 dB points. In contrast, Bessel filters provide the flattest group delay response among common filter types, making them ideal for applications requiring minimal waveform distortion.
Relationship Between Phase and Temperature in RF Filters
High-Q RF filters, such as ceramic and low-loss cavity designs, are sensitive to temperature variations and often require thermal conditioning to maintain stability under all conditions. These filters are frequently used in group-delay-sensitive, phase-critical RF chains where phase linearity is essential (Low Phase Noise Amplifiers, Spectrum Control).
When used in the same RF chain as a low phase-noise amplifier, the entire RF cascade becomes phase-centric, as seen in receive-side radar applications or quantum computing platforms. In these cases, precise timing of the modulated waveform is critical to overall system performance.
As a bandpass filter heats up, due to input power dissipation or environmental conditions, the physical structure of its elements can change, along with the values of capacitors and inductors. When a lumped-element filter absorbs incident RF power, capacitor characteristics can shift and inductor dimensions can change, affecting overall performance.
Inductors generally experience temperature-induced parameter drift (ppm/°C) as their materials heat up. In ferrite-core inductors, changes in permeability can shift inductance and reduce Q factor, while in air-wound inductors, heating of the conductor can also affect performance. As a result, temperature variations can alter inductance values and degrade overall filter performance.
Initial Permeability (µi) vs. Temperature

Capacitors are also susceptible to temperature drift (ppm/°C). At higher temperatures, thermal energy causes molecular motion within the ceramic structure. In materials such as barium- or tantalum-based dielectrics, the crystalline structure includes displaced central atoms, making the capacitance sensitive to temperature changes.
As temperature changes, domain alignment within the crystal structure shifts, altering the dielectric constant. This results in capacitance drift, which can impact insertion loss and phase linearity.
Capacitance Change vs. Temperature (Tantalum)

Because phase response depends on temperature-sensitive material properties and design techniques, temperature variations can increase an RF filter’s susceptibility to phase distortion and group delay ripple across frequency and operating conditions.
These changes can distort signal fidelity in systems where flat group delay is critical, such as phased-array antennas and radar. Temperature-induced group delay variation can cause phase divergence, leading to beam-pointing errors (beam squint) in wideband applications.
Technical Questions
What are the best filter solutions for FR3 and 6G applications?
The answer depends on the portion of the spectrum being used. In an increasingly crowded spectrum, high selectivity becomes essential to separate unwanted signals that may bleed into adjacent bands. Filter functions such as elliptic and Chebyshev are often preferred for their sharp skirts and strategically placed poles. However, these benefits come with trade-offs, including increased insertion loss and group delay variation. Fractional bandwidth selection also becomes critical, as tighter channel spacing drives the need for higher rejection and sharper transitions.

How do I design an RF filter with a constant group delay?
For constant group delay, a Bessel filter is often the preferred choice. It preserves phase linearity, but at the expense of rejection. Its design uses specific non-uniform component values to achieve a flat phase response. At the cutoff transition, the passband has a gentler knee and provides less protection against frequencies on either side of the stopband. If sharp rejection and linear phase are both required, cascading a Bessel filter with additional sections can offer an excellent compromise.



What are the miniaturization limits for high-selectivity filters in SWaP-C applications?
As high selectivity becomes more prominent in the 6G conversation, miniaturization and SWaP considerations will also take priority. Next-generation designs must balance selectivity, insertion loss, and thermal stability with size, weight, power, and cost constraints. Emerging technologies like glass filters offer a compelling option, combining compact size similar to SAW filters with broader frequency capability, operating up to 10 GHz compared to the typical ~1.5 GHz limit of SAW devices, while also providing improved insertion loss performance.

How do I balance Q factor and physical size in a narrowband cavity filter?
In narrowband cavity designs, unloaded Q and size are inherently linked. Smaller resonators can reduce loss but often increase unloaded Q, while also softening the filter skirts. Because resonators store energy, reducing their size affects selectivity. Introducing ceramic for dielectric loading does not change current flow along the metal resonator but alters the effective wavelength, enabling a more compact design.

What is the relationship between filter order and group delay variation?
All RF filter designs involve trade-offs. As sections and resonators are added, group delay variation increases due to greater energy storage. This is especially critical in emerging 6G applications, where high-speed data requires minimal delay variation. To mitigate these phase effects in higher-order designs, a Bessel function can be employed.

Chebyshev vs. Butterworth vs. Elliptic: Which topology is best for my application?
When selecting the optimal shape factor for an RF filter, designers must consider trade-offs between different topologies, guided by the specific platform or application. While shape factor is often a primary concern, factors such as group delay variation, passband ripple, transition sharpness, and insertion loss can significantly impact overall RF chain performance.
RF filter design firms like Spectrum Control typically select from four main transfer functions based on application needs. Butterworth filters are preferred for their maximally flat passband, achieved through symmetrically distributed poles. However, this ripple-free response results in a more gradual transition into the stopband.

From a top-down view, a 5-pole Butterworth and a 5-pole Chebyshev filter can appear similar, as both use a standard ladder configuration of series inductors and shunt capacitors. However, Butterworth designs feature evenly distributed element values, resulting in smooth loading with no single resonator dominating the circuit.
Coupling coefficients and energy distribution are more uniform across a Butterworth network. In a typical 5-pole design, adjusting one resonator has a localized effect and does not significantly disturb adjacent sections. While the center element is the largest, it is less pronounced than in a comparable Chebyshev design.

For an ultra-flat passband response, a Butterworth function is often preferred. It provides a smooth, gradual transition into the stopband while minimizing waveform distortion, making it well suited for radar systems, targeting platforms, and electronically steered active array antennas.

If minimizing group delay variation and phase deviation is the goal, a Bessel function is typically preferred. Its poles are positioned to maintain a nearly constant group delay across the passband. As the signal approaches cutoff, reactive elements store and release energy, increasing phase shift. In a Bessel design, this phase response remains smooth and uniform, much like a well-banked curve, ensuring signals exit with minimal distortion.


In contrast, a Chebyshev filter prioritizes sharp rejection, resulting in a more abrupt and less uniform phase response. The “curve” is tighter and less synchronized, causing signals to exit at different rates, an effect analogous to phase distortion.

With a Bessel function, phase linearity is preserved, but rejection is reduced. The design uses specific, non-uniform component values to achieve a flat phase response. At cutoff, the passband exhibits a gentler knee, offering less attenuation of frequencies near the stopband.

When maximizing steep skirts, rejection, and sharp roll-off, a Chebyshev function is often preferred. It offers a more pronounced shape factor than Butterworth or Bessel filters, but introduces passband ripple as poles cluster near the cutoff frequency. This results in non-linear phase response, increased group delay variation, and potential signal distortion near the band edges.
For even sharper rejection, elliptic (Cauer) filters provide a near “brick-wall” response with excellent selectivity. They achieve this through both pole placement near the passband and transmission zeros in the stopband. However, elliptic filters exhibit ripple in both passband and stopband and have highly non-linear phase response, making them less suitable for phase-sensitive applications.


Because steep rejection is prioritized, phase linearity is significantly degraded. Group delay variation increases near the band edges, introducing distortion. As a result, Cauer (elliptic) functions are generally not well suited for time-domain applications such as phased-array radar.


In conclusion, when selecting a filter function, selectivity, insertion loss, and rejection should not be the only considerations. Group delay variation and phase deviation can be equally important, depending on the intended application and platform requirements.














